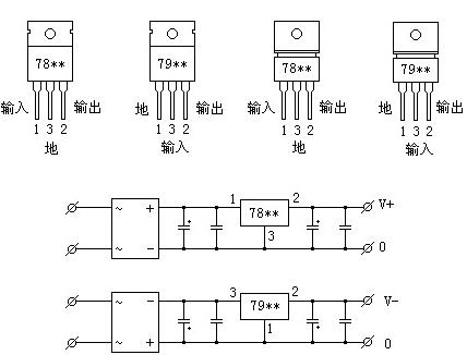
1、從正面看①②③引腳從左向右按順序標注,接入電路時①腳電壓高于②腳,③腳為輸出位。
2、如對于78**正壓系列,①腳高電位,②腳接地,③腳為輸出位;而對于79**負壓系列,①腳接地,②腳接負電壓,③腳為輸出位。如附圖所示。
3、此外,還應注意,散熱片總是和最低電位的第②腳相連。這樣在78**系列中,散熱片和②腳(地)連接,而在79**系列中,散熱片卻和②腳(輸入端)連接。
78/79系列工作原理
電子產品中常見到的三端穩(wěn)壓集成電路有正電壓輸出的78××系列和負電壓輸出的79××系列。故名思義,三端IC是指這種穩(wěn)壓用的集成電路只有三條引腳輸出,分別是輸入端、接地端和輸出端。它的樣子象是普通的三極管,TO-220的標準封裝,也有9013樣子的TO-92封裝。
用78/79系列三端穩(wěn)壓IC來組成穩(wěn)壓電源所需的外圍元件極少,電路內部還有過流、過熱及調整管的保護電路,使用起來可靠、方便,而且價格便宜。該系列集成穩(wěn)壓IC型號中的78或79后面的數字代表該三端集成穩(wěn)壓電路的輸出電壓,如7806表示輸出電壓為正6V,7909表示輸出電壓為負9V。


78l05引腳圖怎么判斷
78/79系列三端穩(wěn)壓IC有很多電子廠家生產,80年代就有了,通常前綴為生產廠家的代號,如TA7805是東芝的產品,AN7909是松下的產品。
有時在數字78或79后面還有一個M或L,如78M12或79L24,用來區(qū)別輸出電流和封裝形式等,其中78L調系列的最大輸出電流為100mA,78M系列最大輸出電流為1A,78系列最大輸出電流為1.5A。它的封裝也有多種,詳見圖。塑料封裝的穩(wěn)壓電路具有安裝容易、價格低廉等優(yōu)點,因此用得比較多。79系列除了輸出電壓為負。引出腳排列不同以外,命名方法、外形等均與78系列的相同。因為三端固定集成穩(wěn)壓電路的使用方便,電子制作中經常采用,可以用來改裝分立元件的穩(wěn)壓電源,也經常用作電子設備的工作電源。
注意三端集成穩(wěn)壓電路的輸入、輸出和接地端絕不能接錯,不然容易燒壞。一般三端集成穩(wěn)壓電路的最小輸入、輸出電壓差約為2V,否則不能輸出穩(wěn)定的電壓,一般應使電壓差保持在4-5V,即經變壓器變壓,二極管整流,電容器濾波后的電壓應比穩(wěn)壓值高一些。
在實際應用中,應在三端集成穩(wěn)壓電路上安裝足夠大的散熱器(當然小功率的條件下不用)。當穩(wěn)壓管溫度過高時,穩(wěn)壓性能將變差,甚至損壞。
當制作中需要一個能輸出1.5A以上電流的穩(wěn)壓電源,通常采用幾塊三端穩(wěn)壓電路并聯(lián)起來,使其最大輸出電流為N個1.5A,但應用時需注意:并聯(lián)使用的集成穩(wěn)壓電路應采用同一廠家、同一批號的產品,以保證參數的一致。另外在輸出電流上留有一定的余量,以避免個別集成穩(wěn)壓電路失效時導致其他電路的連鎖燒毀。
在78**、79**系列三端穩(wěn)壓器中最常應用的是TO-220和TO-202兩種封裝。這兩種封裝的圖形以及引腳序號、引腳功能如附圖所示。


78l05引腳圖怎么判斷
此外,還應注意,散熱片總是和最低電位的第③腳相連。這樣在78**系列中,散熱片和地相連接,而在79**系列中,散熱片卻和輸入端相連接.


78l05引腳圖怎么判斷
78l05特性
1、輸入電壓可達30-35V
2、輸出電流可達到100mA
3、無需外接元件
4、內部熱過載保護
5、內部短路電流限制
6、從2004年底開始,提供的各類封裝形式,均為無鉛封裝產品。
烜芯微專業(yè)制造二三極管,MOS管,20年,工廠直銷省20%,1500家電路電器生產企業(yè)選用,專業(yè)的工程師幫您穩(wěn)定好每一批產品,如果您有遇到什么需要幫助解決的,可以點擊右邊的工程師,或者點擊銷售經理給您精準的報價以及產品介紹
			烜芯微專業(yè)制造二三極管,MOS管,20年,工廠直銷省20%,1500家電路電器生產企業(yè)選用,專業(yè)的工程師幫您穩(wěn)定好每一批產品,如果您有遇到什么需要幫助解決的,可以點擊右邊的工程師,或者點擊銷售經理給您精準的報價以及產品介紹
                                
